服务热线:
0574-63932316
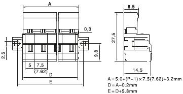
型号 | C7.5-22-XXP;C7.62-22-XXP | ||
位间距 | 7.5mm/7.62mm | ||
位数 | 2-24P | ||
接线范围 | AWG/mm2 | 24-14/0.2-2.5 | |
技术数据 | IEC | UL | |
额定电压 | V | 400 | 300 |
额定电流 | A | 12 | 15 |
额定冲击电压 | KV | 6 | |
污染等级 | 3 | ||
绝缘材料 | PA66 | ||
阻燃等级 | V0 | ||
适用环境温度 | –40℃~+105℃ | ||
可选颜色 | 7.5间距(灰色);7.62间距(橙色) | ||
接触材料 | 磷青铜镀锡 | ||
弹片材料 | 不锈钢 | ||
接线方式 | 弹簧卡接 | ||
适用导线 | 0.2-2.5 mm2各类别导线 | ||
剥线长度 | 8-9mm/ 0.33in | ||