首页产品专区电气连接MCS弹簧式连接器7.5 间距
C7.5系列弯针插座
C7.5系列弯针插座
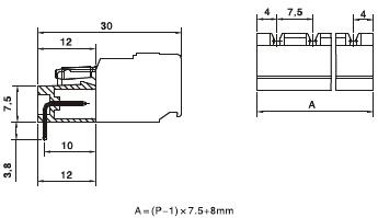
产品参数产品尺寸

型号

C7.5-31RB-XXP

位间距

7.5mm

位数

2-24P

技术数据


IEC

UL

额定电压

V

400

300

额定电流

A

12

10

额定冲击电压

KV

6

污染等级

3

绝缘材料

PA66

阻燃等级

V0

适用环境温度

–40℃~+105℃

可选颜色

7.5间距(白灰色)

接触材料

铜镀锡

焊针尺寸

1.0*1.0mm