首页产品专区电气连接螺钉接插件5.0/5.08 间距
SC5.08-22R系列螺钉式接插件
SC5.08-22R系列螺钉式接插件
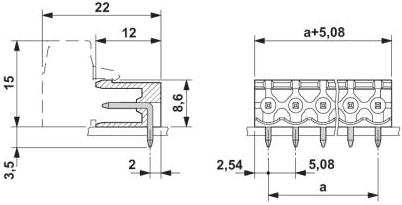
产品参数产品尺寸

型号

SC5.08-22R-XXP

位间距

5.08mm

位数

2-24P

接线范围

AWG/mm2


技术数据


IEC

UL

额定电压

V

320

300

额定电流

A

12

10

额定冲击电压

KV

4

污染等级

3

绝缘材料

PA66

阻燃等级

V0/V2

适用环境温度

–40℃~+105℃

可选颜色

绿色

接触材料

黄铜镀锡

螺丝规格


最大扭矩


适用导线


剥线长度